D341F46不鏽鋼襯氟軟密封法蘭蝶閥
D341F46不鏽鋼襯氟軟密封法蘭蝶閥廣泛用于防腐管道系統上。主要用以實現閥門的開啓、關閉與調節。全襯聚四氟乙烯(F4)、聚三氟氯乙烯(F3)和聚全氟乙丙烯(F46)氟塑料襯裏閥,具有耐腐蝕、無洩漏、壽命長等優點。 适用于濃硫酸、鹽酸、硝酸、氫氟酸、王水、各種有機酸、強酸、氧化性介質或高溫烯硫酸、高溫濃醋酸、酸堿交替及多種有機溶劑和其它強腐蝕性介質。
|
産品名稱: |
不鏽鋼襯氟軟密封法蘭蝶閥 |
産品型号: |
D341F46 |
|
公稱通徑: |
DN40~DN1200 |
閥座密封: |
F4、F46 |
|
公稱壓力: |
1.0Mpa~1.6MPa |
連接方式: |
對夾式、法蘭式 |
|
适用溫度: |
-25ºC~+150ºC |
驅動方式: |
手動、蝸輪、電動、氣動 |
|
閥體材質: |
鑄鐵、鑄鋼、不鏽鋼 |
制造标準: |
國标GB、德國DIN、美國API、ANSI |
|
适用介質: |
強酸、堿、硫酸、王水腐蝕性液體 |
生産廠家: |
上海凱利科閥門有限公司 |
産品說明
D341F46不鏽鋼襯氟軟密封法蘭蝶閥廣泛用于防腐管道系統上。主要用以實現閥門的開啓、關閉與調節。全襯聚四氟乙烯(F4)、聚三氟氯乙烯(F3)和聚全氟乙丙烯(F46)氟塑料襯裏閥,具有耐腐蝕、無洩漏、壽命長等優點。 适用于濃硫酸、鹽酸、硝酸、氫氟酸、王水、各種有機酸、強酸、氧化性介質或高溫烯硫酸、高溫濃醋酸、酸堿交替及多種有機溶劑和其它強腐蝕性介質。
産品特點
1、中線蝶閥爲整個蝶闆與閥座在360°圓周内同心(中線),具有雙向密封功能,壓力,流量可自由調節;
2、四級加載彈性密封,絕對保證了閥門内、外的零洩漏;
a、軸頭、蝶闆園周連接處的特殊過渡曲線與閥座的合理過盈;
b、軸頭端面采用彈性O型圈和軸肩處剛性墊圈、彈性橡膠墊組合;
c、軸的徑向采用O型圈與金屬墊的組合;
d、閥座鑲在有彈性條的閥體的槽内;
3、采用可調彈性彈子定位。定位準确,結構簡單。
應用标準
|
設計标準 |
GB12238 |
|
結構長度 |
GB12221 |
|
法蘭标準 |
JB/T79-94 |
|
GB9113.1-26 |
|
檢驗試驗 |
GB/T13927 |
|
驅動方式 |
蝸輪、手動、電動、氣動 |
性能規範
|
零件名稱 |
材料 |
|
上下閥體 |
鑄鐵、鑄鋼、不鏽鋼、襯F46、F4 |
|
閥座 |
鑄鋼 |
|
帶杆蝶闆 |
鑄鋼、不鏽鋼、襯F46、F4 |
|
填料 |
F4 |
|
襯墊 |
矽橡膠 |
|
蝸輪手柄 |
球墨鑄鐵 |
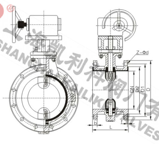
外形結構圖
D341F46不鏽鋼襯氟軟密封法蘭蝶閥主要外形尺寸
|
公稱通經 |
L |
D |
D1 |
D2 |
f |
b |
Z-φd |
|
DN(mm) |
NPS(inch) |
PN1.0MPa |
|
40 |
3/2 |
106 |
145 |
110 |
85 |
3 |
18 |
4-φ18 |
|
50 |
2 |
108 |
160 |
125 |
100 |
3 |
20 |
4-φ18 |
|
65 |
5/2 |
112 |
180 |
145 |
120 |
3 |
20 |
4-φ18 |
|
80 |
3 |
114 |
195 |
160 |
135 |
3 |
22 |
4-φ18 |
|
100 |
4 |
127 |
215 |
180 |
155 |
3 |
22 |
8-φ18 |
|
125 |
5 |
140 |
245 |
210 |
185 |
3 |
24 |
8-φ18 |
|
150 |
6 |
140 |
280 |
240 |
210 |
3 |
24 |
8-φ23 |
|
200 |
8 |
152 |
335 |
295 |
265 |
3 |
26 |
8-φ23 |
|
250 |
10 |
250 |
390 |
350 |
320 |
3 |
28 |
12-φ23 |
|
300 |
12 |
270 |
440 |
400 |
368 |
3 |
28 |
12-φ23 |
|
350 |
14 |
290 |
500 |
460 |
428 |
4 |
30 |
16-φ23 |
|
400 |
16 |
310 |
565 |
515 |
482 |
4 |
32 |
16-φ25 |
|
450 |
18 |
330 |
615 |
565 |
532 |
4 |
32 |
20-φ25 |
|
500 |
20 |
350 |
680 |
620 |
585 |
4 |
34 |
20-φ25 |
|
600 |
24 |
390 |
780 |
725 |
685 |
5 |
36 |
20-φ30 |
|
700 |
28 |
430 |
895 |
840 |
800 |
5 |
40 |
24-φ30 |
|
800 |
32 |
470 |
1010 |
950 |
905 |
5 |
44 |
24-φ34 |
|
900 |
36 |
510 |
1110 |
1050 |
1005 |
5 |
46 |
28-φ34 |
|
1000 |
40 |
550 |
1220 |
1160 |
1115 |
5 |
50 |
28-φ34 |
D341F46不鏽鋼襯氟軟密封法蘭蝶閥主要外形尺寸
|
公稱通經 |
L |
D |
D1 |
D2 |
f |
b |
Z-φd |
|
DN(mm) |
NPS(inch) |
PN1.6MPa |
|
40 |
3/2 |
106 |
145 |
110 |
85 |
3 |
18 |
4-φ18 |
|
50 |
2 |
108 |
160 |
125 |
100 |
3 |
20 |
4-φ18 |
|
65 |
5/2 |
112 |
180 |
145 |
120 |
3 |
20 |
4-φ18 |
|
80 |
3 |
114 |
195 |
160 |
135 |
3 |
22 |
8-φ18 |
|
100 |
4 |
127 |
215 |
180 |
155 |
3 |
24 |
8-φ18 |
|
125 |
5 |
140 |
245 |
210 |
185 |
3 |
26 |
8-φ18 |
|
150 |
6 |
140 |
280 |
240 |
210 |
3 |
28 |
8-φ18 |
|
200 |
8 |
152 |
335 |
295 |
265 |
3 |
30 |
12-φ23 |
|
250 |
10 |
250 |
405 |
355 |
320 |
3 |
32 |
12-φ25 |
|
300 |
12 |
270 |
460 |
410 |
375 |
4 |
34 |
12-φ25 |
|
350 |
14 |
290 |
520 |
470 |
435 |
4 |
38 |
16-φ25 |
|
400 |
16 |
310 |
580 |
525 |
485 |
4 |
40 |
16-φ30 |
|
450 |
18 |
330 |
640 |
585 |
545 |
4 |
44 |
20-φ30 |
|
500 |
20 |
350 |
705 |
650 |
608 |
4 |
46 |
20-φ34 |
|
600 |
24 |
390 |
840 |
770 |
718 |
5 |
54 |
20-φ41 |
|
700 |
28 |
430 |
910 |
840 |
788 |
5 |
54 |
24-φ41 |
|
800 |
32 |
470 |
1020 |
950 |
898 |
5 |
54 |
24-φ41 |
|
900 |
36 |
510 |
1120 |
1050 |
998 |
5 |
54 |
28-φ41 |
|
1000 |
40 |
550 |
1255 |
1170 |
1110 |
5 |
60 |
28-φ48 |
聲明:【D341F46不鏽鋼襯氟軟密封法蘭蝶閥】規格型号、結構尺寸由上海凱利科閥門有限公司提供,如何選擇适用的D341F46不鏽鋼襯氟軟密封法蘭蝶閥産品,使之在工藝控制中安全可靠、經濟适用,可緻電我司銷售部門及技術部門,我們将在最短的時間内爲您解答! |