首頁
公司介紹
新聞中心
組織機構
服務理念
售後服務
聯系我們
産品中心
jtgk.png

産品中心

BX43W瀝青專用保溫旋塞閥

您的位置:閥門 - 旋塞閥 - BX43W瀝青專用保溫旋塞閥 更新時間:2026-01-12 02:01:15
BX43W瀝青專用保溫旋塞閥
    • 質量安全:壓力、材質、密封等全方位檢測确保質量過關!
    • 價格比較:在相同品質的情況下,廠裏直銷,更具有優勢!
    • 交貨快捷:常規産品現貨供應,生産加工銷售一條龍服務!
      上海凱利科閥門緻力于高品質閥門的設計、研發、生産銷售服務于一體的大型閥門企業,科技創新,永不止步,與您攜手共創輝煌...

    • 産品描述
    • 在線詢價
    • 技術咨詢
    BX43W瀝青專用保溫旋塞閥BX43W瀝青專用保溫旋塞閥

    BX43W瀝青專用保溫旋塞閥主要用于瀝青管路上,作爲開啓或關閉或切換作用。通過保溫夾層加循環蒸汽、或熱水、或導熱油來保證瀝青不結晶,從而保護瀝青在管路上正常流動。廣泛地應用于油田開采、輸送和精練設備中,同時也廣泛用于石油化工、化工、煤氣、天然氣、液化石油氣、暖通行業以及一般工業中。

    産品名稱: 瀝青專用保溫旋塞閥 産品型号: BX43W
    公稱通徑: DN50~DN200 結構形式: 圓柱形或圓錐形
    公稱壓力: 1.0MPa 連接方式: 法蘭
    适用溫度: -29ºC~+250ºC 驅動方式: 手動、電動
    閥體材質: 鑄鋼、不鏽鋼 制造标準: 國标GB、德國DIN、美國API、ANSI
    适用介質: 瀝青、易凝固、易結晶等介質 生産廠家: 上海凱利科閥門有限公司

    産品說明

    BX43W瀝青專用保溫旋塞閥主要用于瀝青管路上,作爲開啓或關閉或切換作用。通過保溫夾層加循環蒸汽、或熱水、或導熱油來保證瀝青不結晶,從而保護瀝青在管路上正常流動。廣泛地應用于油田開采、輸送和精練設備中,同時也廣泛用于石油化工、化工、煤氣、天然氣、液化石油氣、暖通行業以及一般工業中。

    工作原理

    它的閥塞的形狀可成圓柱形或圓錐形。在圓柱形閥塞中,通道一般成矩形;而在錐形閥塞中,通道成梯形。這些形狀使旋塞閥的結構變得輕巧。最适于作爲切斷和接通介質以及分流适用,但是依據适用的性質和密封面的耐沖蝕性,有時也可用于節流。

    産品特點

    1、旋塞閥用于經常操作,啓閉迅速、輕便。
    2、旋塞閥流體阻力小。
    3、旋塞閥結構簡單,相對體積小,重量輕,便于維修。
    4、密封性能好。
    5、不受安裝方向的限制,介質的流向可任意。
    6、無振動,噪聲小。

    性能規範

    型号 公稱壓力
    PN(MPa)
    試驗壓力PS(MPa) 适用介質 工作溫度(℃)
    殼體 密封
    BX43W-1.6C 1.6 2.0 1.6 瀝青及厚質油類 ≤425
    BX44W-1.6C 1.6 2.0 1.6

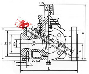
    外形結構圖

     

    主要外形尺寸

    公稱通徑
    DN(mm)
    L D D1 D2 b F n-φd H S
    50 二通 250 160 125 100 18 3 4-φ18 250 30×30
    三通 250 160 125 100 18 3 4-φ18
    65 二通 300 180 145 120 20 3 4-φ18 280 40×40
    三通 300 180 145 120 20 3 4-φ18
    80 二通 300 195 160 135 20 3 8-φ18 320 45×45
    三通 300 195 160 135 20 3 8-φ18
    100 二通 325 215 180 155 22 3 8-φ18 350 52×52
    三通 325 215 180 155 22 3 8-φ18
    125 二通 350 245 210 185 22 3 8-φ18 405 62×62
    三通 350 245 210 185 22 3 8-φ18
    150 二通 400 280 240 210 24 3 8-φ23 - 68×68
    三通 400 280 240 210 24 3 8-φ23
    200 二通 450 335 295 265 26 3 12-φ23 - 75×75
    三通 450 335 295 265 26 3 12-φ23

    聲明:【BX43W瀝青專用保溫旋塞閥】規格型号、結構尺寸由上海凱利科閥門有限公司提供,如何選擇适用的BX43W瀝青專用保溫旋塞閥産品,使之在工藝控制中安全可靠、經濟适用,可緻電我司銷售部門及技術部門,我們将在最短的時間内爲您解答!

    

    Copyright ©2011-2023 上海凱利科閥門有限公司,版權所有。 京ICP證000000号

    銷售電話:021-31001158

    手機号碼:13816746668 陳國輝/經理

    電子郵件:klkvalves@126.com@126.com

    主營産品:球閥,閘閥,蝶閥,截止閥,止回閥,調節閥

    本周熱門:不鏽鋼阻火器全天候呼吸閥氣動球閥氣動蝶閥氣動刀閘閥氣動調節閥電動球閥電動蝶閥電動刀閘閥電動調節閥不鏽鋼球閥不鏽鋼閘閥不鏽鋼截止閥不鏽鋼止回閥不鏽鋼電磁閥高壓電磁閥高壓球閥波紋管截止閥

    官方網址:www.fm058.com